通用加速度傳感器K546A98
- 靈敏度(25℃):20pC/g
- 頻率響應(±1dB):1-4,000 Hz
- 安裝諧振頻率:≥12,000 Hz
- 橫向靈敏度比:≤5%
- 絕緣電阻:>10^9 Ω
- 工作溫度:-54℃~+150℃
- 沖擊極限(峰值):±1000 g
通用三軸電荷型用壓電陶瓷作為敏感材料,頻響寬、制體積小 可同時測量X、Y、Z三軸向的加速度信號,適用于如模態(tài)分析、馬達與泵、精加工等振動測試場合。

測量范圍( 峰值 ) | ±1000g |
| 靈敏度(25℃) | 20pC/g |
| 頻率響應(±1dB) | 1-4,000 Hz |
| 安裝諧振頻率 | ≥12,000 Hz |
| 橫向靈敏度比 | ≤5% |
| 絕緣電阻 | >10^9 Ω |
| 工作溫度 | -54℃~+150℃ |
| 沖擊極限(峰值) | ±1000g |
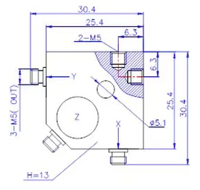
| 外形尺寸 | 27mm x 27mm x 14.5mm |
| 結構形式 | 陶瓷剪切 |
| 殼體材料 | 鈦合金 |
| 輸出方式 | 3-M5 |
| 安裝方式 | φ5通孔(Z)2-M5(X、Y) |
| 重量 | ~50克 |
| 附件 | |
| 安裝螺栓 | M5內六角螺栓、M5 |
| 電纜線 | D01-2米 |






