| 規 格 | 低頻雷達 |
| 測量介質 | 固體、液體 |
| 測量范圍 | 0m~35m |
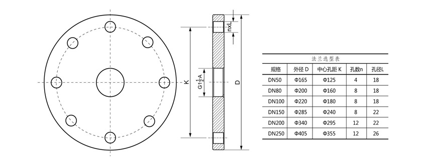
| 過程連接 | 法蘭、螺紋 |
| 介質溫度 | -40℃~250℃ |
| 過程壓力 | -100kPa~4.0MPa |
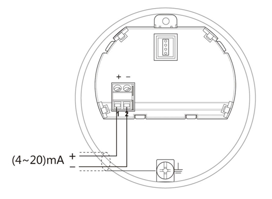
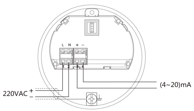
| 信號輸出 | 4mA~20mA DC/HART (兩線制) |
| 現場顯示 | 四位 LCD,可編程 |
| 精 度 | ±10mm |
| 重 復 性 | ±1mm |
| 頻 率 | 26GHz |
| 天 線 | 喇叭 |
| 電 源 | 兩線制(24V DC)四線制(24V DC/220V AC) |
| 外 殼 | 鋁/ 塑料 |
| 防護等級 | IP67 |
| 應 用 | 原油、輕油測量; 原煤、石灰石倉位焦、碳料位測量; |
| 外 殼 | ||
| 外殼和外殼蓋之間的密封 | 硅橡膠 | |
| 外殼視窗 | 聚碳酸酯 | |
| 接地端子 | 不銹鋼 | |
| 供電電壓 | ||
| 兩線制 | 標準型 | (16~26) V DC |
| 本安型 | (21. 6~26. 4) V DC | |
| 功耗 | max 22.5mA / 1W | |
| 允許紋波 | ||
| -<100Hz | Uss < lV | |
| -(100~100K) Hz | Uss < l0mV | |
| 電纜參數 | ||
| 電纜入口/插頭 | 1個M20xl.5電纜入口 | |
| 1個盲堵M20xl.5 | ||
| 接線端子 | 導線橫截面2.5mm2 | |
| 輸出參數 | ||
| 輸出信號 | (4~2 0) mA | |
| 通訊協議 | HLET | |
| 分辨率 | 1. 6μA | |
| 故障信號 | 電流輸出不變; | |
| 20.5mA | ||
| 22mA; | ||
| 3.9mA | ||
| 積分時間 | (0~50)s,可調 | |
| 盲區 | 天線末端 | |
| 最大測量距離 | 80米 | |
| 微波頻率 | 6GHz/26GHz/500M-1.8GHz | |
| 通訊接口 | HLET通訊協議 | |
| 測量間隔 | 大約1秒(取決于參數設置) | |
| 調整時間 | 大約1秒(取決于參數設置) | |
| 顯示分辨率 | 1mm | |
| 工作存儲及運輸溫度 | (-40~100) ℃ | |
| 過程溫度(天線部分的溫度) | (-40~250)℃ | |
| 壓力 | Max. 4MPa | |
| 耐震 | 機械震動l0m/s2 , (10~150)Hz | |






